欢迎访问西藏民族大学 管理学院
学院首页
学院概况
学院简介
院长寄语
机构设置
现任领导
学院委员会
学科专业
联系我们
党团工作
教工党建
学生党建
学生团建
师资队伍
在编教师
援藏教师
外聘教师
荣休教师
人才培养
本科生教育
研究生教育
继续教育
学术研究
科研动态
科研平台
科研团队
科研项目
科研成果
科研奖项
学生事务
通知公告
学生活动
学生资助
招生就业
招生信息
就业信息
实习实践
合作交流
国际交流
国内交流
院友工作
院友活动
院友风采
服务社会
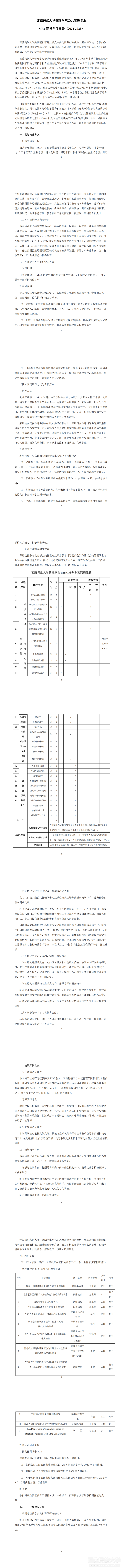
西藏民族大学管理学院公共管理专业 MPA 建设年度报告(2022-2023)
发布时间:2025-12-01
信息来源:管理学院
浏览次数:3673